PDS310多功能電力儀表使用說明書
免責聲明:本網頁內容來自源于網絡共享,若無意中侵犯了您的知識產權或版權,我們深表歉意,煩請聯系我們,我們將在規定時間內給予刪除等相關處理。另外,此內容僅供瀏覽和參考之用,真實性請自行辨別,我公司不承擔任何責任!
如需PDF格式版本,請調出打印窗口,在選項中選擇“另存為PDF”!
感謝您選擇PDS310多功能電力儀表產品,為了方便您選購和安全、正確、高效的使用本產品,請仔細閱讀本說明書并在使用時務必注意以下幾點:
注意:
1. 該系列產品必須有專業人員進行安裝與檢修;
2. 在對該產品進行任何外問接線操作前、必須切斷輸入信號和電源;
3. 使用合適的電壓檢測裝置來確定該產品各部有無電壓;
4. 提供給該產品的參數需在額定范圍內;
5. 給產品上電時確認電源是否符合該裝置的工作電壓范圍;
6. 檢修時請確認電閘已經拉下,并確認無電;


一、產品概述
PDS310多功能電力儀表系列產品采用先進的微處理器和數字信號處理技術,可測量電網中的單三相電壓、電流、有功功率、無功功率、功率因數、電網頻率、有功電度、無功電度等各種常用電力參數,同時還可選帶開關量輸入、報警輸出、模擬量變送輸出、脈沖輸出、RS485網絡通訊功能。作為一種先進的智能化、數字化的電網前端采集元件,該儀表可以應用于各種控制系統,工業自動化,智能建筑,智能配電盤,開關柜中,具有安裝方便,接線簡單,維護方便,工程量小,現場可編程輸入參數的特點。能夠完成業界不同PLC,工業控制計算機通信軟件的組網。
二、選型及技術參數
技術參數
| 性能 | 參數 | |
| 網絡 | 三相三線、三相四線 | |
| 電壓 電流 | ||
| 額定值 | AC100V、400V口大于400V需外接PT AC 1A、5A 大于5A需外接CT | |
| 過負荷 | 持續:1.2倍瞬時: 10倍/10s 持續:1.2倍瞬時: 10倍/10s | |
| 功耗 | <1VA (每相) <0.4VA (每相) | |
| 阻抗 | ≥500kΩ <2mΩ | |
| 精度 | RMS測 量,精度等級0.5(可選0.2級) | |
| 頻率 | 45~ 60Hz,精度0.01Hz | |
| 功率 | 有功、無功、視在功率,精度0.5級 | |
| 諧波 | (擴展功能) | |
| 電能 | 四象限計量,有功精度0. 5級,無功精度1. 0級(可選0. 2級) | |
| 顯示 | 可編程、切換、循環(LED/LCD) 顯示 | |
| 電源 | 工作范圍 | AC220V土10% 可選AC/DC85~ 265V |
| 功耗 | ≤5VA | |
| 輸出 | 數字接口 | RS-485、MODBUS-RTU協議 |
| 脈沖輸出 | 2路電能脈沖輸出,光耦繼電器 | |
| 開關量輸入 | 4路開關量輸入,遠源干接點方式(可選) | |
| 開關量輸出 | 4路開關量輸出,固態繼電器(可選) | |
| 模擬量輸出 | 4路模擬量輸出,4~20mA/0~20mA (可選) | |
| 環境 | 工作環境 | -10 ~ 55°C |
| 儲存環境 | -20 ~ 75°C | |
| 安全 | 耐壓 | 輸入/電源>2kV,輸入/輸出>2kV,電源/輸出>1kV |
| 絕緣 | 輸入、輸出、電源對機殼> 50MΩ | |
引用標準
DL/T614-1997多功能電能表GB/T17883- 19990.2S級和0.5S級靜止式交流有功電度表
GB/T17882-1999 2級和3級靜止式交流無功電度表
GB/T13850-1998交流電量轉換為模擬量或者數字信號的電測量變送器
IEC/61000-2-11電磁兼容性口EMCO-第2-11部分
三、尺寸及安裝方式
根據儀表外形在上表中選擇對應的安裝開孔尺寸,在安裝屏面上開一個孔,儀表嵌入安裝孔后將兩個夾持件放入儀表殼體的夾持槽內,用手推緊即可。
外形及安裝開孔尺寸:

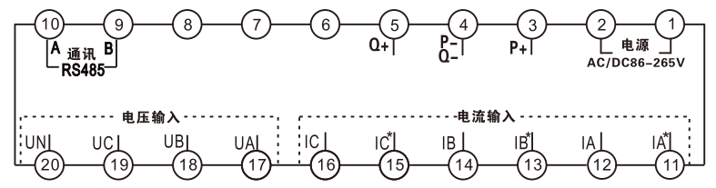
四、接線與端子說明
接線端子排列與端子功能說明


五、編程與使用

按鍵功能說明
設定鍵:測量顯示狀態下,按該鍵進入編程模式,儀表提示輸入密碼“codE輸入正確的密碼(0001)后,可對儀表進行編程、設置。編程模式下,用于確認菜單項目的選擇和參數值的修改。
返回鍵:編程模式下,在選擇菜單項目時用于返回上級菜單;儀表在循環顯示參數顯,可以按返回鍵固定顯示參數,再次按一次即重新回到循環顯示模式;
增加鍵:編程模式下,在選擇菜單項目時用于菜單項目向下翻頁;在修改參數值時用于將參數值遞增;測量顯示狀態下,按此鍵可將顯示界面向下翻頁,
減少鍵:編程模式下,在選擇菜單項目時用于菜單項目向上翻頁:在修改參數值時用于將參數值遞減;
測量顯示狀態下,按此鍵可將顯示界面向上翻頁。
顯示方式說明
通過對菜單中的“diSP”參數編程,可選擇以下11種顯示方式之一,亦可按“增加鍵”或“減少鍵”來手動切換顯示方式,手動切換顯示后5秒自動返回設定的顯示方式。

看用了多少電:第8項 uh
看功率是多少:第3項 P
菜單結構及含義
編程模式下,儀表提供了設置(SEt)、輸入(inP)、通訊(Conn)三大類菜單設置項目,采用LED顯示的分層菜單結構管理方式:第1排顯示第1層菜單;第2排顯示第2層和第3層菜單;第3排顯示參數值。


六、使用注意事項
1、儀表出廠時已設置為用戶訂貨時提供的規格參數,使用前應再次核對輸入網絡、電壓/電流量程及互感器倍率設置與實際輸入是否一致。
2、通電前請再次確認儀表輔助電源、輸入信號、接線是否正確,
3、儀表不應受到敲擊、碰撞和劇烈振動,使用環境應符合技術要求。
七、常見問題及解決辦法
1、關于通訊
1)儀表沒有回送數據
答:首先確保儀表的通訊設置信息如從機地址、波特率、校驗方式等與上位機要求-致:如果現場多塊儀表通訊都沒有數據回送,檢測現場通訊總線的連接是否準確可靠,Rs485轉換器是否正常。如果只有單塊或者少數儀表通訊異常,也要檢查相應的通訊線,可以修改變換異常和正常儀表從機的地址來測試,排除或確認.上位機軟件問題,或者通過變換異常和正常儀表的安裝位置來測試,排除或確認儀表故障。
2)儀表回送數據不準確
答:多功能電力儀表的通訊開放給客戶的數據有一次電網float型數據和二次電網int/long型數據。請仔細閱讀通訊地址表中關于數據存放地址和存放格式的說明,并確保按照相應的數據格式轉換。推薦客戶去經銷商索要下載MODBUS-RTU通訊協議測試軟件MODSCAN,該軟件遵循標準的MODBUS-RTu通訊協議,并且數據可以按照整型、浮點型、16進制等格式顯示,能夠直接與儀表顯示數據比。
2、關于U、I、P等測量不準確
答:首先需要確保正確的電壓和電流信號已經連接到儀表上,可以使用萬用表來測量電壓信號,必要的時候使用鉗形表來測量電流信號。其次確保信號線的連接是正確的,比如電流信號的同名端(也就是進線端),以及各相的相序是否出錯。多功能電力儀表可以觀察功率界面顯示,只有在反向送電情況下有功功率為負,一-般使用情況下有功功率符號為正,如果有功功率符號為負,有可能電流進出線接錯,當然相序接錯也會導致功率顯示異常。另外需要注意的是儀表顯示的電量為--次電網值,如果表內設置的電壓電流互感器的倍率與實際使用互感器倍率不一致,也會導致儀表電量顯示不準確。表內電壓電流的量程出廠后不容許修改。接線網絡可以按照現場實際接法修改,但編程菜單中接線方式的設置應與實際接線方式一-致,否則也將導致錯誤的顯示信息。
3、關于用電或電能走字不準確電能數據不保存
答:1)儀表的電能累加是基于對功率的測量,先觀測儀表的功率值與實際負荷是否相符。多功能電力儀表支持雙向電能計量,在接線錯誤的情況下,總有功功率為負的情況下,電能會累加到反向有功電能,正向有功電能不累加。常見問題是電流互感器進線和出線接反。
2)電能數據不保存時,請查看儀表是否有負載,加上負載后儀表則繼續累計。
4、儀表不亮
答:確保合適的輸助電源已經加到儀表的輔助電源端子,超過規定范圍的輔助電源電壓可能會損壞儀表,并且不能恢復??梢允褂萌f用表來測量輔助電源的電壓值,如果電源電壓正常,儀表無任何顯示,可以考慮斷電重新上電,若儀表還不能正常顯示的話請聯系本公司技術服務部。
