ZHRV5-05電機保護器使用說明書
免責聲明:本網頁內容來自源于網絡共享,若無意中侵犯了您的知識產權或版權,我們深表歉意,煩請聯系我們,我們將在規定時間內給予刪除等相關處理。另外,此內容僅供瀏覽和參考之用,真實性請自行辨別,我公司不承擔任何責任!
如需PDF格式版本,請調出打印窗口,在選項中選擇“另存為PDF”!
1.概述
該ZHRV5-05系列產品常用于控制柜、空調機組、電梯機房、水泵、風機等電機控制場合,作電源過電壓、欠電壓、斷相、相序、三相不平衡保護用,當電源異常時切斷供電回路,達到保護設備的目的。內置微處理器,真有效值測量,電壓測量精度≤1 %,50/60Hz通用,旋鈕設定,LED燈顯示工作狀態,額定電壓三相三線220V~460V通用,導軌安裝。

2.功能特點
◆ 電源電壓測量保護( 真有效值電壓測量)。
◆ 通過旋鈕設置8檔額定工作電壓
◆ 繼電器寬度僅為1 8mm。
◆ 電壓測量精度< 1%。
◆ 控制狀態可以通過LED顯示。
◆ 安裝在35mm標準導軌上。
3.應用
◆ 保護電器設備、電機免受過壓和欠壓的影響。
◆ 防止設備反向運轉。
◆ 防止傳動負載發生缺相。
◆ 正常/緊急電源切換。
4.型號及其含義

功能代碼表1
| 型號/功能代碼 | 過電壓 | 欠電壓 | 不平衡 | 延時時間 | 相序 | 斷相 |
| ZHRV5-03 | ― | ― | ― | ― | ● | ● |
| ZHRV5-04 | ― | ― | 5%∽15% | 0.1∽10s | ● | ● |
| ZHRV5-05 | 2%∽20% | ― | ― | 0.1∽10s | ― | ● |
| ZHRV5-06 | 2%∽20% | -20%∽-2% | ― | 0.1∽10s | ― | ● |
| ZHRV5-07 | 2%∽20% | -20%∽-2% | ― | 0.1∽10s | ― | ● |
| ZHRV5-08 | 2%∽20% | -20%∽-2% | ― | 0.1∽10s | ● | ● |
| ZHRV5-09 | 2%∽20% | -20%∽-2% | 8% | 0.1∽10s | ● | ● |
| ZHRV5-10 | 2%∽20% | -20%∽-2% | 5%∽15% | 2s | ● | ● |
| ZHRV5-11 | ― | ― | 8% | 2s | ● | ● |
| ZHRV5-12 | 15% | 15% | 8% | 2s | ● | ● |
| 注:●表示具有此功能,-表示不具有此功能。 | ||||||
To:過電壓動作延時時間。
Tu:欠電壓動作延時時間。
Ta:不平衡動作延時時間。
5.技術參數
| 額定控制電源電壓 | AC 3X220→3X460V (P-P) 50/ 60Hz |
| 工作電壓范圍 | AC 187V→529V |
| 電壓門限值范圍 | 額定工作電壓的2%~20% |
| 電壓固定滯后率 | 額定工作電壓的2% |
| 不平衡門限值范圍 | 5% ~ 15% |
| 不平衡固定滯后率 | 2% |
| 動作延時時間范圍 | 0.1s~10s |
| 斷相、相序動作時間 | <0.5s |
| 上電延時時間 | 0.5s |
| 復位延時時間 | 1s |
| 電壓測量誤差 | <1%(整個設定范圍) |
| 延時誤差 | 士10%+0.1s |
| 旋鈕設置精度 | 1%的刻度值 |
| 額定絕緣電壓 | 460V |
| 約定發熱電流 | Ith:5A |
| 觸點種類和對數 | |
| 使用類別 | AC-15 |
| 觸點容量 | Ue/Ie:250V/1.5A |
| 電氣壽命 | 10^5 |
| 機械壽命 | 10^6 |
| 污染等級 | 3 |
| 防護等級 | IP20 |
| 額定沖擊耐受電壓 | 4kV |
| 短路保護器的型式和最大額定值 | NT00-6A |
| 功耗 | ≤1.5W |
| 存儲溫度 | -25C~55℃,短時間(24h)可達70°C |
| 允許的相對濕度 | ≤50% (40℃) (無凝露) |
| 工作環境溫度 | -5℃~40℃ |
| 海拔高度 | ≤2000m |
| 安裝方式 | 螺釘安裝或導軌安裝 |
6.面板示意圖



7.功能圖及指示燈解釋
指示燈解釋說明

斷相與相序保護功能圖

過電壓與欠電壓保護功能圖

不平衡保護功能圖

5.操作說明
1、通過旋鈕選擇額定工作電壓,繼電器在通電后讀取額定工作電壓。如果在通電后改變額定工作電壓,LED指示燈都會出現閃爍,但繼電器保持原來的額定工作電壓運行,更改回原來的額定工作電壓位置,繼電器又開始正常指示。
2、設置動作門限值。
3、設置延時間0.1s~10s這樣可以在瞬態故障的情況下防止動作。
4、如果出現電壓故障,繼電器會在設置的延時時間結束時斷開。
5、如果繼電器在通電時檢測到電壓故障,輸出繼電器會保持斷開狀態。
6、當U測量電壓 < Un X 70%為斷相故隙,最小斷相電壓為165V。
7、ZHRV5-03相序正確和輸入電壓(>176V) 下,輸出繼電器閉合,R/T指示燈亮;ZHRV5-03檢測到相序錯誤或一相或多相斷相,輸出繼電器斷開,R/T指示燈不亮。
8、L1、L2為電源輸入端,出現斷相故障,功能指示燈不指示。
6.外形尺寸

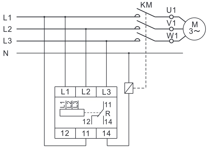
接線圖

注意事項
1、本產品的安裝、操作及檢修須有專業的人員操作。正常使用條件下,產品質保期為18個月。
2、無論產品正常或損壞,用戶不得擅自拆開或維修產品,否則引發事故本公司將不承擔任何責任。
3、布線時請參考說明書的接線圖。
4、電源輸入線請勿與其他帶強電電線同管走線,必要時請使用屏蔽線,以免產生干擾,影響繼電器正常工作。
5、不要在多塵、有腐蝕性氣體、陽光直射、雨淋的地方使用。
6、本產品不得使用在有爆炸危險的介質中,且介質中不得含有腐蝕金屬、破壞絕緣的氣體及導電塵埃的場合。
7、請在額定電源電壓及規定的溫度、海拔、濕度條件下儲存、使用。
