PD20M-800A-I-V智能電動機保護器使用說明書
免責聲明:本網頁內容來自源于網絡共享,若無意中侵犯了您的知識產權或版權,我們深表歉意,煩請聯系我們,我們將在規定時間內給予刪除等相關處理。另外,此內容僅供瀏覽和參考之用,真實性請自行辨別,我公司不承擔任何責任!
如需PDF格式版本,請調出打印窗口,在選項中選擇“另存為PDF”!
感謝您選擇我司電動機智能保護監控裝置產品,為了方便您選購和安全、正確、高效的使用本產品,請仔細閱讀本說明書并在使用時務必注意以下幾點:
注意:
1. 該裝置必須有專業人員進行安裝與檢修;
2. 在對該裝置進行任何外問接線操作前、必須切斷輸入信號和電源;
3. 使用合適的電壓檢測裝置來確定該裝置各部有無電壓;
4. 提供給該裝置的參數需在額定范圍內;
5. 給裝置上電時確認電源是否符合該裝置的工作電壓范圍;
6. 檢修時請確認電閘已經拉下,并確認無電;


一、產品概況
此款電動機智能保護裝置,是我公司多年研制生產電機保護產品經驗的積累和現代高科技的結晶。核心部件采用國外新型的十六位AD單片機,比較同類產品采用的八位機而言,技術上已上了一個檔次。它具有抗干擾能力強、工作穩定可靠、精度高、保護參數設定簡單方便和數字化、是智能化、網絡化等特點。可滿足更高層次用戶的要求。它主要適用于發電、建材、石油、化工冶金、輕工、紡織、煤炭等工業電機及三相電力饋電系統,做過載、輕載、缺相、過壓、欠壓、堵轉、短路、漏電、及三相不平衡保護和多方啟??刂啤>哂蠷S-485遠程通訊接口,支持MODBUS-RTU,和4-20mA模擬量輸出接口,方便的和PLC、DCS及后臺機組成網絡系統。通過后臺機對現場設備進行操控,運行狀態監視和歷史數據查詢。
二、特點
1、采用微機技術和高性能低功耗電路,運行高速,性能穩定。
2、整機模塊化結構,卡式電流傳感器,體積小安裝方便。既可分體安裝,也可一體安裝。
3、采用數字處理技術,測量精度高,線性度好,對故障判斷速度快,精確可靠。
4、高清LED顯示,設置參數與測量有故障顯示直觀方便。
5、配有RS485通信接口,可與計算機通訊構成遠程監控于一體的電機保護網絡。
6、一機多用,可取代電流表,電流變送器,熱繼電器,漏電繼電器,工作電源電壓表。
7、具有4-20mA標準電流輸出信號,可直接與工業二次儀表或計算機系統連接。
三、工作條件
1、海拔高度不操過4500米。
2、周圍環境溫度:-35℃~+65℃.
3、空氣相對濕度:在+25℃時不超過85%。
4、大氣條件:沒有會引起爆炸危險的介質也沒有會腐蝕金屬和破壞絕緣氣體及導電塵埃。
5、安裝沒有雨雪侵襲的地方。
6、安裝在無劇烈震動、沖擊的地方。
7、工作電源:AC220V50HZ/AC380V50HZ.
8、結構形式:整體與分體兩種形式,分體安裝距離小于5米。
9、互感器固定在交流接觸器下方為宜,采用螺絲固定安裝或導軌安裝;三相主線路分別穿過互感器的三個孔;按接線圖接好線并檢查無誤后通電。
四、主要功能
1、保護功能:堵轉保護、短路保護、接地故障保護、斷相保護、三相不平衡保護、過載保護、欠載保護、過欠壓保護、漏電保護。
2、控制功能:直接起動、正反起動、星三角起動、直接旁路啟動、自耦變壓器降壓起動、多方啟動控制。
3、顯示監測:運行狀態、三相電流、線電壓、漏電電流故障信息等。
4、設定功能:額定電流、保護電流曲線、啟動時間不平衡、過欠壓設定、漏電電流值、通訊地址等。
5、遠傳功能:具有DC4-20mA標準模擬量輸出,不需外接電源。
6、通訊功能:通過RS485串行通訊與計算機可構成256臺保護器常規保護控制網絡。遠程數據設定及顯示報警,遠程電動機啟停控制等。

圖一:依據電動機制造商的規范和過程控制要求設置預警和脫扣參數
五、技術參數
1、反時限保護:本保護裝置具有過流反時限保護功能,如圖二:

圖二
2、輕載保護:當電流值小于輕載保護設定值時,保護裝置在30秒內動作。
3、過流保護:保護電流可任意設定,電流值大于設定值時,按動作特性曲線動作。
4、斷相保護:電動機電源斷相時(出廠時三相電流不平衡值設為60%可根據用戶要求設定),保護裝置在3秒內動作。
5、堵轉保護:當電動機運行電流大于設定值5倍時,保護裝置在2秒內動作。
6、漏電(接地)保護:漏電電流大于設定值時,保護裝置在3秒內動作。
7、短路保護:任意一相電流達到8Ie電流時,保護裝置在2秒內動作。
8、啟動延時時間:1-99秒可調。
9、星三角轉換時間:星三角轉換時間小于啟動延時時間3秒。
10、DC4-20mA電流輸出精度:0.3%FS(20mA對應2倍額定值)。
11、輸出繼電器觸點容量:250VAC7A。
12、電流顯示誤差:≤1.5%。
13、具有啟動延時功能:避開啟動大電流和電流動作時間分開。
14、具有RS485遠程通信接口,能遠程數據設定、控制查詢等,于上位機組成網絡保護監控系統。
六、操作說明及故障顯示
| 操作順序 | 顯示內容 | 代號定義 | 設定說明 |
| 按一次設置鍵 | 1 XXX | 電流設定值 | 單位:A |
| 按二次設置鍵 | 2 XXX | 啟動時間設定值 | 范圍:1-99 |
| 按三次設置鍵 | 3 XXX | 過流時間參數 | 0-999 |
| 按四次設置鍵 | 4 XXX | 欠載電流設定值 | 單位:A |
| 按五次設置鍵 | 5 XXX | 過壓設定值 | 單位:V |
| 按六次設置鍵 | 6 XXX | 欠壓設定值 | 單位:V |
| 按七次設置鍵 | 7 XXX | 設零為不恢復 | 范圍:1-999S |
| 按八次設置鍵 | 8 XXX | 漏電電流設定值 | 范圍:1-999mA |
| 按九次設置鍵 | 9 XXX | 通訊地址設定值 | 范圍:0-255 |
| 按十次設置鍵 | 電壓顯示 | 返回 |

七、端子接口

八、外形尺寸
1、分體式尺寸



2、一體式尺寸

九、面板示意圖

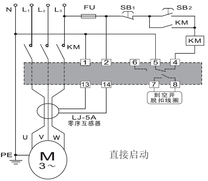
十、接線示意圖


十一、通訊的結構形式

十二、注意事項
1、保護裝置安裝接線時,應按各接線端子用途正確連接無誤,接觸良好。
2、保護裝置的工作電源應接在控制回路上,并注意標稱電壓與實際電壓相符合。
3、各項保護設定值應正確無誤,不用的選項應放棄設定。
4、根據電動機的額定電流值,選擇相應規格的保護裝置。
5、分體式的保護裝置不要將不同編號的互感器和顯示部分共同使用。
6、保護裝置配用電流互感器時,若設備現場或控制室電流表顯示時,可另配一個電流互感器,不然對配帶電流表的那相電流顯示會有影響。
7、保護裝置模擬量DC4-20mA接口輸出量應(20mA對應兩倍的額定值)與連接設備相匹配。
十三、接線原理圖








