SDPR5110水泵起動裝置使用說明書
免責聲明:本網頁內容來自源于網絡共享,若無意中侵犯了您的知識產權或版權,我們深表歉意,煩請聯系我們,我們將在規定時間內給予刪除等相關處理。另外,此內容僅供瀏覽和參考之用,真實性請自行辨別,我公司不承擔任何責任!
如需PDF格式版本,請調出打印窗口,在選項中選擇“另存為PDF”!
1.概述:
SDPR5110水泵起動裝置采用智能化數字控制,以單片機為智能中心,可控硅模塊為執行元件對電動機進行全自動控制。它適用各種負載的鼠籠型異步電動機控制,使電動機在任何工作狀況下均能平滑起動,保護拖動系統,減少起動電流對電網沖擊,保證電動機可靠起動。平滑減速停車,軟停車功能有效地解決了慣性系統的停車喘振問題,消除拖動系統的反慣性沖擊,是傳統設備無法實現的。

SDPR5110水泵起動裝置具有完整的系統保護功能,延長系統的使用壽命、降低系統造價成本、提高系統的可靠性且兼容了所有起動設備的各種功能;是傳統星/三角起動、自耦減壓起動等理想的新替代產品。
1.1軟起動器的主要作用:
第一:降低了電動機的起動電流;可減少配電容量,避免電網增容投資。
第二:減小了電動機及負載設備的起動應力;延長了電動機及相關設備的使用壽命。
第三:軟停機功能有效地解決慣性系統的停車喘振問題;是傳統起動設備無法實現的。
第四:具有六種獨特的起動模式;以適應復雜的電機和負載情況,達到非常好的起動效果。
第五:具有完善可靠的保護功能;有效地保護了電動機及相關生產設備的使用安全。
第六:電動機軟起動器智能化、網絡化技術的應用使用電機控制技術適應了飛速發展的電力自動化技術的更高要求。
1.2智能軟起動器的主要特點:
| 可靠的質量保證 | 完善可靠的系統保護功能 |
| 采用高性能單片機和邏輯控制,具有強抗干擾能力 | 失壓、欠壓、過壓保護 |
| SMT貼片生產工藝 | 軟起動器 過熱、起動時間過長保護 |
| 優異的電磁兼容性能 | 輸入缺相、輸出缺相、三相不平衡保護 |
| 整機出廠前的高溫老化,振動試驗 | 起動過流、運行過載、負載短路保護 |

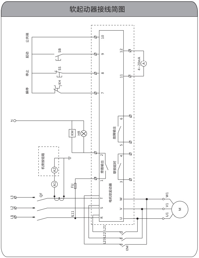
4.5軟起動器的外控端子說明:
圖4.3-1外控端子圖

●端子1、2用于控制旁路接觸器,為無源動合觸點,起動成功時閉合。
●端子3.4為可編程輸出、輸出功能和方式由設置項FE確定,為無源觸點,詳見可編程延時輸出功能說明。
●端子5、6為故障輸出,來電時斷開發生故障或失電時閉合,為無源觸點。
●端子7、8、9. 10 :組成外部控制電路;均為無源接點。
●端子10為公共端
●端子7為瞬停輸入:當7與10斷開時,軟起動端停止工作。
●端子8為軟停輸入:當8與10斷開瞬間,為軟停車。
●端子9為軟起輸入:當9與10接通瞬間,為軟起動。
以上接線為三線控制,參見圖4.3-2。
●當8、9端子并聯作為- -個端子使用時,與10接通為起動,斷開為停止,可用于一個中間繼電器(kA)接點控制起停,此為二線控制。參見圖4.3-3
●端子11、12為4~ 20mA直流模擬輸出,輸出最大電阻值為300歐姆。

5.軟起動器基本操說明
軟起動器共有5種工作狀態:準備、運行、故障、起動和停止。準備、運行、故障;起動時,顯示運行狀態, XXXA ;軟停時顯示軟停狀態, XXXA其中XXXX表示電機電流。

5.1中文顯示參數設置代碼如下表:

5.3 可編程繼電輸出功能
可編程繼電輸出功能有兩種工作方式,既可編程時序輸出方式和可編程狀態輸出方式。設置項FE為0~4(10~14)時,可編程輸出工作于時序輸出方式,設定輸出的起始時刻如下表:

此工作方式包含一個999秒定時器,自設置項F4設定。若F4不為0,則按設置項FE設定的起始時刻開始計時,計時到則輸出改變狀態,若設置項F4為0則立即改變輸出狀態。該輸出的復位時刻是在按F4設置時間延時結束且在準備狀態下再維持1秒時,可編程時序輸出方式是以一次起動過程為控制周期的,如果再次起動電機則自動中斷上次編程輸出過程并重新啟動該過程。設置項FE為5~9(15-19)時,可編程輸出工作于狀態輸出方式,設定的工作狀態輸出如下表:

可編程狀態輸出方式用于指示軟起動器的工作狀態此方式下設置項F4設置的時間無效。設置項FE出廠值為6,即指示軟起動器的準備工作狀態,此狀態下可起動電機:可編程輸出為故障狀態時,是指電機類故障(Err05、Err06、Err07、Err08、Err12、Err15),它不同于⑤、⑥號故障輸出端子的功能;運行狀態是指非準備或故障狀態,它包括起動,旁路,軟停三個過程。當FE>9時 可編程輸出(③、④號外接端子)的復位狀態由常開變為閉合,即反相輸出。靈活運用可編程繼電器輸出功能 ,可有效地簡化外圍控制邏輯線路。
設置項FB用于選擇電機起動控制方式,如下表:

表中1為允許,0為禁止。例如若起動后不允許意外停止,或維修時不允許意外起動,可把此項設為7,則禁止所有起動或停止操作。
設置項FC為參數修改允許選擇項,有三種選擇設置項FC為0時,除設置項FF外,禁止修改任何參數,設置項FC為1時,禁止修改設置項F4、F7、F8、FE、FF、PU的數值。設置項FC為2時,允許修改所有設置項的數據。
6.保護功能與說明:
◆SDPR5110水泵起動裝置有保護功能以保護軟起動器和電動機的使用安全。在使用中,應根據不同的情況恰當地設置保護級別和保護參數。
6.1保護功能及其參數:
<>軟起動器過熱保護:溫度升到80度土5度時保護動作,當溫度降至55°C時, 過熱保護解除。
<> 輸入缺相保護滯后時間: <3秒。
<>輸出缺相保護滯 后時間: <3秒。
<三相不平衡保護滯后時間:<3秒。以各相電流.偏差大于50%+ 10%為基準,當負載電流低于軟起動器標稱額定值的30%時,判定基準偏差將增大。
<>起動過流保護時間 :持續大于設置項F 6最大工作電流5倍時的保護時間見表6.1。
<>運行過載保護時間:以設置項F 6最大工作電流為基準作反時限熱保護,脫扣保護時間曲線如圖61.
<電源電壓過低保護滯時間 :當電源電壓低于極限值40%時,保護動作時間<05秒, 否則低于設定值時保護動作時間<3秒。
<電源電壓過高保護滯后時間:當電源電壓高于極限值140%,保護工作時間<0.5秒;否則高于設定值時保護動作時間<3秒。
<負載短路保護滯后時間:<0.1秒,電流為軟起動器標稱額定電流的10倍以上。本保護不能替代熔斷式短種保護裝置。
<>電機欠載保護:電流范圍為電機額定電流的10%~90% ,保護動作延時為5 ~ 90秒。
◆以上時間參 數是從檢測到有效信號開始到發出脫扣保護指令為止,參數僅供參考。軟起動器所列的所有保護功能均可通過實際的或模擬的方法進行驗證,若不符合用戶的要求,則應另加微機電動機保護裝置,以確保安全。.
7.外形與安裝尺寸
| 功率段 | 外形尺寸(長*寬*高MM) | 安裝尺寸(長*寬MM) | 凈重(KG) | 單只包裝尺寸(MM) | 單只包裝重量(KG) |
| 11-75KW | 285*160*163 | 247*147 | 3.3 | 345*205*220 | 3.7(紙箱) |
| 60-220KW | 470*252*215 | 387*192 | 13.3 | 510*340*265 | 16.6(木箱) |
| 250-450KW | 510*290*210 | 420*230 | 17.7 | 550*370*265 | 21.2(木箱) |
| 500-600KW | 625*410*225 | 495*330 | 31.1 | 730*470*300 | 36.1(木箱) |
