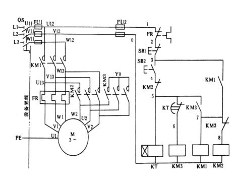
電動機Y—Δ星三角啟動控制原理
三相異步電動機的Y—Δ變換起動控制的連接線路如圖所示,它主要有以下元器件組成:

三相異步電動機Y—Δ自動降壓啟動控制線路
a.起動按鈕(SB2)。手動按鈕開關,可控制電動機的起動運行。
b.停止按鈕(SB1)。手動按鈕開關,可控制電動機的停止運行。
c.主交流接觸器(KM1)。電動機主運行回路用接觸器,起動時通過電動機起動電流,運行時通過正常運行的線電流。
d.Y形連接的交流接觸器(KM3)。用于電動機起動時作Y形連接的交流接觸器,起動時通過Y形連接降壓起動的線電流,起動結束后停止工作。
e.Δ形連接的交流接觸器(KM2)。用于電動機起動結束后恢復Δ形連接作正常運行的接觸器,通過繞組正常運行的相電流。
f.時間繼電器(KT)。控制Y—Δ變換起動的起動過程時間(電機起動時間),即電動機從起動開始到額定轉速及運行正常后所需的時間。
g.熱繼電器(或電機保護器FR)。熱繼電器主要設置有三相電動機的過負荷保護;電機保護器主要設置有三相電動機的過負荷保護、斷相保護、短路保護和平橫保護等。
②控制原理
三相異步電動機Y—Δ轉換啟動的控制原理大致如下:
i.按下啟動按鈕SB2后,電源通過熱繼電器FR的動斷接點、停止按鈕SB1的動斷接點、Δ形連接交流接觸器KM2常閉輔助觸頭,接通時間繼電器KT的線圈使其動作并延時開始。此時時間繼電器KT雖已動作,接點應斷開,但其延時接點是瞬間閉合延時斷開的(延時結束后斷開),同時通過此KT延時接點去接通Y形連接的交流接觸器KM3的線圈回路,則交流接觸器KM3帶電動作,其主觸頭去接通三相繞組,使電動機處于Y形連接的運行狀態;KM3輔助常開觸頭閉合去接通主交流接觸器KM1的線圈。
ii.主交流接觸器KM1帶電啟動后,其輔助觸頭進行自保持功能(自鎖功能);而KM1的主觸頭閉合去接通三相交流電源,此時電動機啟動過程開始。
iii.當時間繼電器KT延時斷開接點(動斷接點)KT的時間達到(或延時到)電動機啟動過程結束時間后,時間繼電器KT接點隨即斷開。
iv.時間繼電器KT接點斷開后,則交流接觸器KM3失電。KM3主觸頭切斷電動機繞組的Y形連接回路;同時接觸器KM3的常閉輔助觸頭閉合,去接通Δ形連接交流接觸器KM2的線圈電源。
v.當交流接觸器KM2動作后,其主觸頭閉合,使電動機正常運行于Δ形連接狀態;而KM2的常閉輔助觸頭斷開使時間繼電器KT線圈失電,并對交流接觸器KM3聯鎖。電動機處于正常運行狀態。
vi.啟動過程結束后,電動機按Δ形連接正常運行。
上一篇:電動機功率計算公式
下一篇:自動重合閘斷路器的作用及要求