星三角接線圖 6條線電機啟動接線圖解
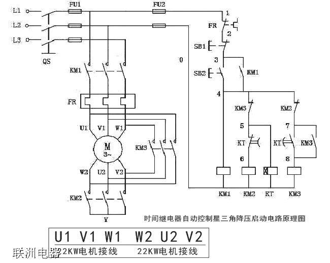
沒錯!您要找的星三角接線圖 就是這個,曾經我也在網上到處找,將它打印出來給電工作參考是完全沒問題的,適用于6條線的電機啟動,一般75KW以下電機啟動都可以采用此方式。

這是網上流傳很多的星三角接線圖,但是這并不代表它就是更好的。這張圖是參考圖,星三角啟動使用三個接觸器的二次接線參考圖,按此圖接線保證沒問題,我們電工都是按這張圖接的。

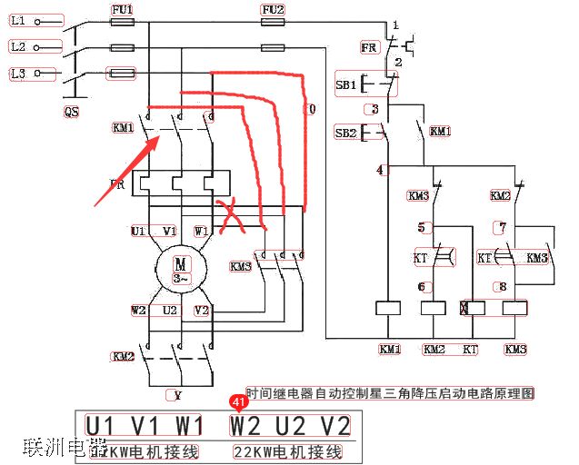
此圖是另一種參考,帶來的好處是能讓主接觸器KM1不承受那么大的電流,可以讓接觸器壽命更長,維護成本更低。二次控制圖跟上圖一樣,沒有改變,主要是一次圖紅色線的調整。
上一篇:電機軟啟動接線圖:一二次接線圖解
下一篇:自耦變壓器內部結構及接線圖